意昂体育

我们很是重视您的小我私家隐私,当您会见我们的网站时,请赞成使用的所有cookie。有关小我私家数据处置惩罚的更多信息可会见《隐私政策》

shuziluanshengbanner(1)-114.jpg shuziluansheng-532.jpg

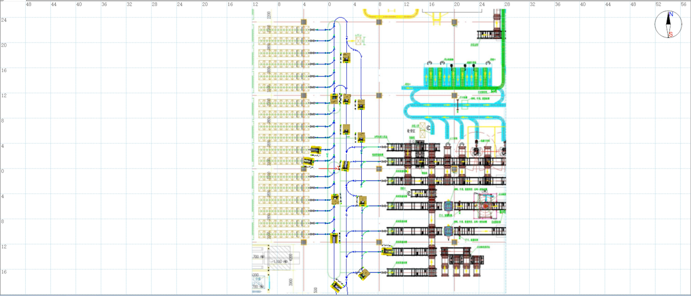
AGV调理软件

打造物流全生命周期的集成化智慧物流系统

AGV智能调理软件(IMHS- AGV Scheduling System)

意昂体育智能AGV调理软件主要包括仿真端模组、服务端模组、监控端模组、妄想端模组。 基于自主开发监控与仿真一体化手艺,可让仿真端模组与监控端模组共用一套焦点算法与参数,相比自力的仿真软件,仿真效果越发准确;基于时间展望机制的AGV调理手艺,在大规模AGV应用场景中,可有用提高AGV使用率,降低交通避障几率,实现整系一切效率的提升。

0-303.png
意昂(中国区)官方网站

意昂体育优势

1-165.jpg

实时感知动态表达

01

凭证AGV使命信息,天生一系列一连时间窗模子,代表AGV的实时位置,实现了动态真真相形感知与表达,解决车辆之间时间和空间冲突。

2-808.jpg

智能调理准确高效

02

特殊思量车辆形状尺寸,在时间窗维度上更能准确形貌车辆运行情形,相比业内常用的基于管控规则的调理手艺,可降低爆发交通管制的概率,提高了大规模AGV并行事情效率。

3-590.jpg

功效荟萃,实现1+1>2

03

荟萃仿真与监控双重功效,让仿真功效可以周全引用监控功效中种种细节参数,相比纯粹的仿真软件平台,仿真效果的准确性更高。监控功效引入了仿真功效中的虚拟车辆看法,可以在监控中剖析增添车辆后的调理效果,功效越发富厚。

提交您的需求,我们将尽快与您联系

完善您的信息,意昂体育智能专业团队为您提供服务!

姓名 *

电话 *

公司名称 *

职位 *

所属行业*

项目所在都会 *

需求形貌 *

验证码 *

换一换

意昂(中国区)官方网站

我已仔细阅读并赞成 隐私政策

意昂(中国区)官方网站
网站地图